LZ13000KN Cold Chamber Die Casting Machine, High Pressure Die casting machine, Horizontal type with PLC control. Working with auto ladling machine, Sprayer, Pick-up machine to reach full automatic die cast. Email: cnkylt@aliyun.com
Tonnage: 1300T
DC1300T Horizontal Cold Chamber Die Casting Machine Specification (LZ1300T)
(Remark: 1.The die casting machine supplier keeps the right to revise above parameters, If there is any alterations, advance notice won't be given then. )

(Remark: 1.The die casting machine supplier keeps the right to revise above parameters, If there is any alterations, advance notice won't be given then. )

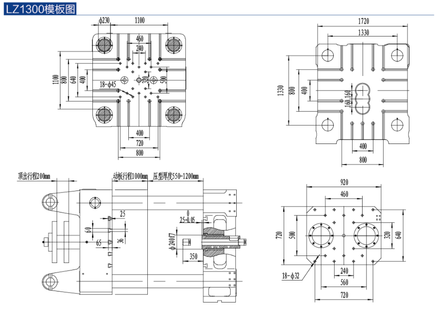
LZ 1300 Ton Die Casting Machine Molding Plate Specification:

LZ 1300 Ton Die Casting Machine Cement Ground Specification:

Heavy Duty Horizontal Cold Chamber Die Casting Machine Working Process:
Heavy Duty Horizontal Cold Chamber High Pressure Die Casting Machine which need ladle heavy weight alloy from melting pot to machine cold chamber. So, whole die casting process must use automatic machines or robots to reach full automatic running.
Heavy Duty Horizontal Cold Chamber High Pressure Die Casting Machine which need ladle heavy weight alloy from melting pot to machine cold chamber. So, whole die casting process must use automatic machines or robots to reach full automatic running.
Full Automation horizontal cold chamber die-casting machines:
Automation equipment makes the die casting process full automatically.
The whole automatic die casting unit involve:Melting furance, Auto lading robot, Die casting machine, Auto sprayer, Die casting parts pick-up machine (Extractor).

Automation equipment makes the die casting process full automatically.
The whole automatic die casting unit involve:Melting furance, Auto lading robot, Die casting machine, Auto sprayer, Die casting parts pick-up machine (Extractor).

What is the Automatic Cold chamber die casting machine process?
Full automatic die casting working process: Die casting machine PLC control the whole process. Automatic ladler pour molten aluminum metal alloy from melting pot to die casting machine cold chamber. Then, be inject to mold cavities to got die-cast parts. Auto extractor pick-up casting part from die tool, put them on conveyor. The auto sprayer cooling and lubricating the mold cavity. And, to start then next die casting process.

Full automatic die casting working process: Die casting machine PLC control the whole process. Automatic ladler pour molten aluminum metal alloy from melting pot to die casting machine cold chamber. Then, be inject to mold cavities to got die-cast parts. Auto extractor pick-up casting part from die tool, put them on conveyor. The auto sprayer cooling and lubricating the mold cavity. And, to start then next die casting process.

Key Elements Brands of LZ high pressure cold chamber die casting aluminum molding machine:

(Remark: Aluminum Molding Machine Spare parts brands can be changed as per customer demand. The producer of die casting machine-LZ (China) keeps the right to revise above parameters. If there is any alterations, advance notice won't be given then. Die Casting Machine spare parts brands can be changed as per customer demand.)

(Remark: Aluminum Molding Machine Spare parts brands can be changed as per customer demand. The producer of die casting machine-LZ (China) keeps the right to revise above parameters. If there is any alterations, advance notice won't be given then. Die Casting Machine spare parts brands can be changed as per customer demand.)
Die Casting Machine Before and After Sales Services:
Before Sales Services
Provide pre-sales consultation such as investment budget and plant planning, so as to make the customer's plant design reasonable, standardized and save costs.
Provide pre-sales consultation such as investment budget and plant planning, so as to make the customer's plant design reasonable, standardized and save costs.
Exworks test
Continuous grounding resistance test
Injection speed test
Clamping force test
Electric control system test
Machine appearance inspection
Full load test for more than 72 hours

Continuous grounding resistance test
Injection speed test
Clamping force test
Electric control system test
Machine appearance inspection
Full load test for more than 72 hours

After Sales Services
By guiding customers to install the water and electricity of die casting machines, adjusting new machines. Training customers' technicians and operators. The machine placement is standardized and reasonable. Enable relevant personnel to be familiar with the machine operation and maintance.
Provide FREE standard spare parts together with machine.
Install die casting machine.
Trainning Die casting operator.
Any questions be replied by email, video, photos within 24hr.
Engineer guide your operater to work and adjust machine by video on line.
Quality guarantee period: 12 months after machine put into operation.
If the equipment fails during the guarantee peirod, the manufacturer shall repair and replace accessories free of charge.
More information about our 1300T Heavy Duty Die Casting Machine Service, Please email us: cnkylt@aliyun.com.
By guiding customers to install the water and electricity of die casting machines, adjusting new machines. Training customers' technicians and operators. The machine placement is standardized and reasonable. Enable relevant personnel to be familiar with the machine operation and maintance.
Provide FREE standard spare parts together with machine.
Install die casting machine.
Trainning Die casting operator.
Any questions be replied by email, video, photos within 24hr.
Engineer guide your operater to work and adjust machine by video on line.
Quality guarantee period: 12 months after machine put into operation.
If the equipment fails during the guarantee peirod, the manufacturer shall repair and replace accessories free of charge.
More information about our 1300T Heavy Duty Die Casting Machine Service, Please email us: cnkylt@aliyun.com.
Related Casting Machinery:
Die Casting Machine
Material
Application
· Auto Parts Die Casting Machines
· Kitchen &Household Parts Die Casting Machines
· Lamps Light Parts Die Casting Machines
· Electric Vehicle Spare Parts Die Casting Machines
· Hardware, Jewelry, Clothing Accessories Die Casting Machines
· Tel-Communication Equipment Parts Die Casting Machines
· Garden Machinery & Electric Tools Parts Die Casting Machines
· Lead Acid Battery Terminal Bushing, Battery Positive Spine Grid Die Casting Machines
· Fishing Sinker Die Casting Machines
· Others
· Auto Parts Die Casting Machines
· Kitchen &Household Parts Die Casting Machines
· Lamps Light Parts Die Casting Machines
· Electric Vehicle Spare Parts Die Casting Machines
· Hardware, Jewelry, Clothing Accessories Die Casting Machines
· Tel-Communication Equipment Parts Die Casting Machines
· Garden Machinery & Electric Tools Parts Die Casting Machines
· Lead Acid Battery Terminal Bushing, Battery Positive Spine Grid Die Casting Machines
· Fishing Sinker Die Casting Machines
· Others
评论
发表评论